Flexible Gear Couplings

flexible-gear-couplings

Durable Flexible Gear Couplings for Heavy-Duty Power Transmission.

We specialize in manufacturing precision Flexible Gear Couplings engineered to handle the highest torque demands and substantial shaft misalignment in critical industrial machinery. Designed as a mechanical connection between rotating shafts, our gear couplings ensure reliable, efficient power transfer, even under punishing operational conditions.

Understanding Gear Couplings: High Torque, High Reliability

Though the term "gear" implies rigidity, these advanced devices function as a high-performance flexible coupling. They consist of two hubs with crowned external teeth and two outer sleeves with internal spur teeth. This robust gear mesh allows the coupling to transmit maximum power while compensating for axial float, angular, and parallel misalignment.

Our commitment to fine tolerance machining ensures proper meshing, exceptional torsional stiffness, and complete interchangeability of components, making us a leading Gear Couplings Manufacturer in Pune and across India.

Core Benefits of Our Flexible Gear Couplings

Optimize your machine performance and minimize costly downtime with features engineered for endurance:

  • Exceptional Torsional Stiffness: Ensures immediate and positive power transmission, crucial for consistent machine cycles and precise operations.
  • Very High Torque Density: Transmits significantly more torque compared to most other coupling types for the same diameter, optimizing space and weight.
  • Misalignment Compensation: Accommodates a moderate degree of shaft misalignment (up to $3^\circ$ in some configurations) and substantial end float.
  • Vibration Damping: Used effectively in motion control systems to reduce operational noise and dampen machine vibration (especially with polymer-sleeved options).
  • Durable & Long-Life: Mechanized to fine tolerances from highly durable materials, ensuring prolonged service life and good reliability when properly maintained.

Choosing the Right Gear Coupling Type

We supply gear couplings in both standard industry variations to suit your specific drive requirements:

Full Flexible Gear Couplings:

Also known as double engagement forged steel couplings. This is the most common industrial choice, compensating for both parallel shaft misalignment and angular misalignment, and offering large end float capacity. Ideal for connecting two flexible halves across a significant distance.

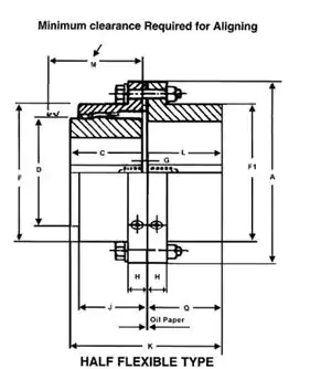
Half Flexible Gear Couplings:

Comprises one flexible half (internal sleeve and inner hub) connected to a rigid half (flanged hub). These are typically utilized to connect a floating shaft to a rigidly mounted machine component, such as a flywheel or brake drum.

Half Flexible Type
Half Flexible Type

COMMON FOR BOTH COUPLING FULL FLEXIBLE TYPE HALF FLEXIBLE TYPE
H.P Cap
at MAX
DSC 100 TORQUE MAX BORE BORE J B WR2 Wt. BORE WR2 Wt.
G.C. NO R.P.M. Kg. M. R.P.M. MIN A C D F M G H MAX KGM2 in Kg. K Q MAX F1 KGM2 in Kg.
GC-100 7 50 8000 10 120 45 50 75 55 1.5 15 32 40 93 0.03 4.5 93 46.5 45 70 0.04 5
GC-101 14 100 6300 20 170 55 65 110 65 2.5 17 45 49 115 0.14 11 115 57.5 60 85 0.15 11
GC-102 35 250 5000 30 185 70 85 125 80 2.5 17 60 62 145 0.2 15 145 72.5 75 110 0.24 15
GC-103 63 450 4000 40 220 85 150 150 105 2.5 20 75 78 175 0.48 25 175 87.5 90 130 0.5 20
GC-104 119 850 3350 50 250 105 130 175 125 2.5 20 90 96 215 0.95 39 215 107.5 110 160 1 40
GC-105 182 1300 2800 60 290 110 155 200 140 5 25 110 106 230 1.9 57 230 115 130 185 2 60
GC-106 280 2000 2500 75 320 125 175 230 155 5 25 125 117 260 3 85 260 130 150 215 3.3 80
GC-107 490 3500 2100 90 350 140 205 260 175 5 25 140 134 290 5.25 103 290 145 170 240 5.8 106
GC-108 630 4500 1900 105 380 155 230 290 190 5 25 160 147 320 8.5 138 320 160 200 285 9.5 149
GC-109 784 5600 1700 125 430 165 250 330 205 5 27 180 156 340 15 210 340 170 220 315 16.8 170
GC-110 1148 8200 1400 140 490 180 310 390 220 5 27 220 171 370 30.5 277 370 185 260 370 35 264
GC-111 1536 11000 1250 160 545 200 350 445 240 5 30 260 192 410 58 550 NOTE
GC-112 2053 14700 1120 180 590 240 400 490 280 5 30 300 231 490 88 710 1. Made to order / special Gear
GC-113 2793 20000 1000 200 680 260 440 555 310 7.5 35 330 242 535 138 980 Couplings also can be Manufactured
GC-114 3994 28600 900 220 730 280 500 610 330 7.5 35 370 266 575 291 1320 2. Synamic Balancing & heat treatment
GC-115 4852 34750 800 250 780 320 540 660 370 7.5 35 410 305 655 353 1700 will be done on request
Key Benefits:
Exceptional Torque Density

Transmits maximum horsepower (HP) in a compact size, making selection easier.

High Misalignment Capacity

Designed to operate smoothly even with up to 1.5° of angular misalignment.

Reduced Wear

Precision-generated gear teeth ensure uniform contact and reduce stress on connected equipment.

Full and Half Flexible Types

Available to suit various machine configurations (floating shaft or rigid end).

Key Features
High torque transmission capacity
Advance Technology
Compact and robust design
Effective misalignment compensation
Long service life with proper lubrication
Custom sizes and material options available
Applications
  • EOT Crane Power Transmission (due to frequent forward/reverse applications and high torque)
  • Pumps, Blowers, and large Compressors
  • Heavy-duty Mixers and Agitators
  • Large Industrial Machines requiring high rigidity and continuous torque transmission.
Why Choose Us

We combine decade-long experience, precision manufacturing, and responsive after-sales support to deliver couplings that minimize downtime and maximize life.

FAQs

Full flexible couplings accommodate parallel and angular misalignment, while half flexible couplings are typically used to connect to a rigid-mounted machine component.

A flexible gear coupling connects two rotating shafts to transmit torque while compensating for angular, parallel, and axial misalignments, ideal for heavy-duty industrial drives.

With proper lubrication and routine maintenance, these couplings can last for many years even under continuous industrial operation.

We are a trusted manufacturer & supplier of flexible gear couplings in India, offering both standard and custom designs with technical support.

Contact us for technical specs, custom designs, and competitive quotations